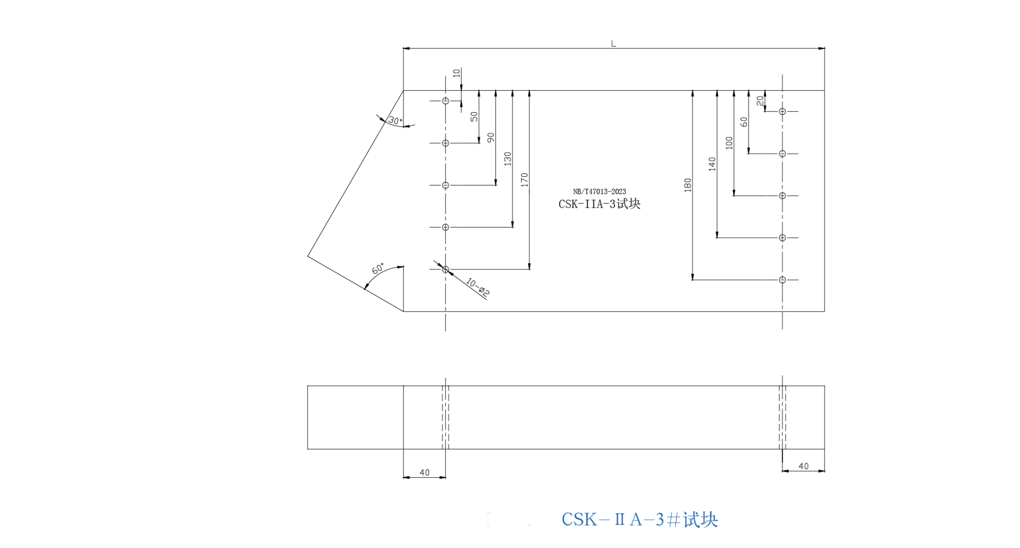
CSK-ⅡA 试块
- 品牌: 瑞祥牌(东岳)
- 标准: NB/T47013 承压设备无损检测
- 尺寸: 多种型号
- 材质: 20#钢、不锈钢、铝合金
CSK-IIA试块是依据承压设备I型焊接接头超声检测要求而设计的试块,符合NB/T 47013.3-2015标准。相关信息如下:
用途:适用于斜探头、直探头检测工件厚度范围为6mm~200mm的I型焊接接头,主要用于测定横波距离-波幅曲线(DAC曲线)、斜探头的K值和调整横波扫描速度和灵敏度等。


分类:包括CSK-IIA-1、CSK-IIA-2、CSK-IIA-3三种试块,不同试块适用的检测范围不同。CSK-IIA-1适用于检测厚度大于等于6mm至40mm的工件;CSK-IIA-2适用于检测厚度大于40mm至100mm的工件;CSK-IIA-3适用于检测厚度大于40mm至200mm的工件。
材料:选用电炉或平炉熔炼的碳素结构钢,成分符合GB/T 699的要求,晶粒度7~8级。
在使用CSK-IIA试块时,需根据具体的检测要求和工件厚度选择合适的试块,并按照相关标准和操作规程进行操作,以确保检测结果的准确性和可靠性。
CSK - IIA试块在超声检测中用于测定横波距离 - 波幅曲线、斜探头的K值以及调整横波扫描速度和灵敏度等。以下是其使用方法和注意事项:
使用方法
测定斜探头K值:将斜探头置于试块上,使声束轴线对准试块上的特定反射体(如φ40mm、φ44mm、φ50mm的横孔),通过测量反射波的位置和相关参数,计算出斜探头的K值(K = tanβ,β为折射角)。一般来说,可将探头在试块上移动,找到横孔反射波最高的位置,此时根据仪器上显示的声程和探头的前沿距离等数据,结合三角函数关系计算K值。
调整横波扫描速度:利用试块上的不同深度的反射体,如CSK - IIA - 1试块上的φ1×6横孔等,通过调整仪器的扫描参数,使反射波在荧光屏上的显示位置与试块实际尺寸相对应,从而实现横波扫描速度的调整。例如,使试块上某一深度的横孔反射波出现在荧光屏上的特定刻度位置,以此来校准扫描速度,确保后续检测中对缺陷位置的准确测量。
绘制距离 - 波幅曲线(DAC曲线):在试块上选取多个不同深度和距离的反射体,如CSK - IIA试块系列中的不同规格试块上的横孔,分别测量这些反射体的反射波幅度,并记录其对应的距离和波幅数据。然后,将这些数据绘制在坐标纸上,形成距离 - 波幅曲线。该曲线用于在实际检测中根据缺陷反射波的幅度和距离来评定缺陷的大小和严重程度。
注意事项
试块的选择:根据被检测工件的厚度,正确选择CSK - IIA试块的具体型号。如检测厚度大于等于6mm至40mm的工件应选择CSK - IIA - 1试块,以确保试块的尺寸和反射体分布能满足检测要求,保证检测结果的准确性。
表面清洁与耦合:使用前要确保试块表面清洁,无油污、铁锈、灰尘等杂质,否则会影响探头与试块之间的声耦合效果,导致检测信号不准确。在检测时,需涂抹适量的耦合剂(如凡士林、机油等),以减少探头与试块表面之间的空气间隙,提高声能传递效率。
探头操作:放置探头时要注意保持探头与试块表面垂直,且移动探头时应平稳、缓慢,避免探头跳动或倾斜,以保证声束方向的稳定性和检测结果的重复性。同时,要根据试块的形状和尺寸,合理选择探头的移动方式和路径,确保能够全面检测试块上的反射体。
仪器参数设置:在使用试块进行检测前,需根据试块的特性和检测要求,正确设置探伤仪的各项参数,如检测范围、增益、衰减等。参数设置不当可能导致反射波幅度不准确,影响K值测定、扫描速度调整和DAC曲线绘制的准确性。
试块的维护:使用后要及时清洁试块,并妥善保管,防止试块表面划伤、生锈或损坏。定期对试块进行检查,如有磨损、变形等情况,应及时更换或修复,以保证试块的精度和可靠性。