IIW试块( V1试块,荷兰试块)
- 标准: ISO2400-1972E 钢焊缝超声检测设备校准用试块
标准试块是探伤的基础,由最早的“荷兰试块”为基础,经过数十年的发展,现在国内电力、石油、船舶、钢构、起重机等行业根据探伤需求,都有了自己行业的探伤标准,并规定了相应的标准试块。我公司从八十年代就参与国家探伤标准的编写,已参与探伤标准修订20余项。2013年参与GB/T11345-2013《焊缝无损检测超声检测技术、检测等级和评定》标准的修订,依据标准规定,设计制作了相应的标准探伤试块。同时还参与了NB/T 47013(JB/T 4730)《承压设备无损检测》超声部分的编写研讨,为专家组提供了大量的实验用试块,配合实验采集了较多的数据,为标准修订提供了重要依据。我公司与国际行业同仁广泛交流,多次接待德国、英国、俄罗斯、印度、日本、韩国等朋友来访。产品出口美国、加拿大、俄罗斯、印度、韩国、日本、德国、法国等。
国际标准试块
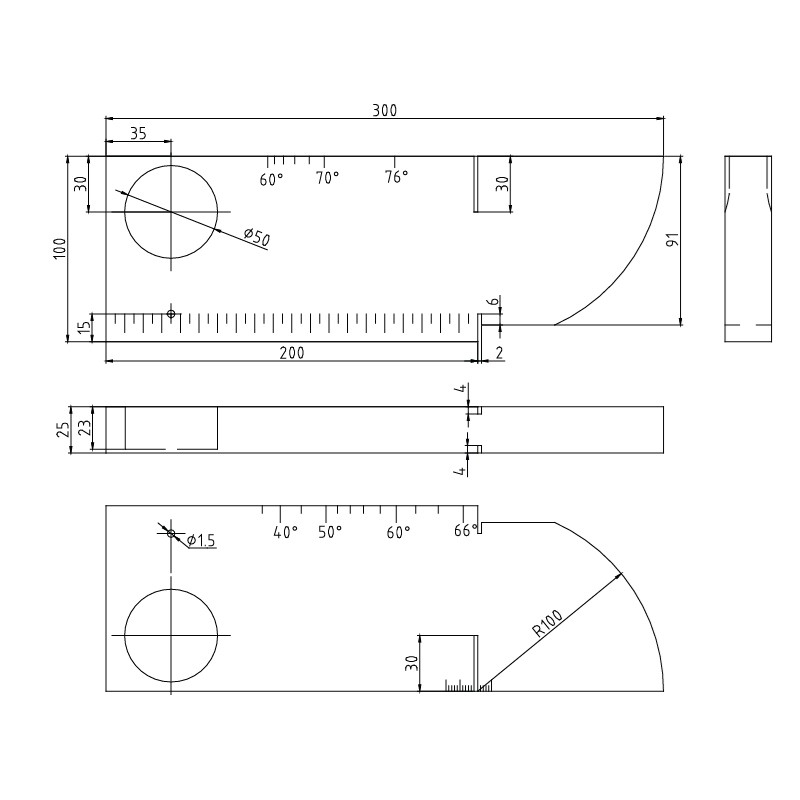
IIW试块(V1试块)也称荷兰试块。是由国际焊接学会(IIW)通过,国际标准化组织(ISO)推荐使用的国际标准试块。形状与尺寸如图1-1所示:
使用要点:
(1)利用试块厚25mm可测定探伤仪的动态范围、水平线性及调整纵波探测范围;
(2)利用φ50圆弧和φ1.5通孔测定斜探头折射角及纵波直探头的灵敏度余量;还可以粗略估计直探头的盲区大小及测定仪器与探头组合后的穿透能力;
(3)利用R100mm圆弧面测定斜探头的入射点和盲区,并可校正时间轴比例和零点;
(4)利用测距为85mm、91mm和100mm三个槽口平面可测定直探头的纵向分辨率;
(5)利用试块的直角棱边测定斜探头声束偏斜角。
