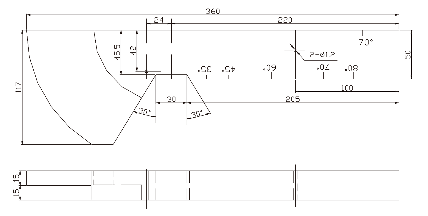
英国标准试块B.S.A.3试块

英国标准试块,B.S.A.3试块,milan官网登录入口司
电话咨询
邮件咨询
在线地图
QQ客服