对比参考试块
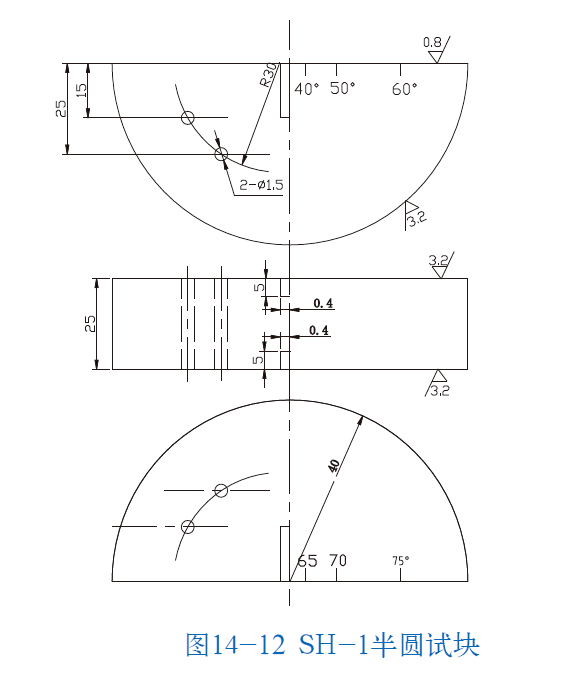
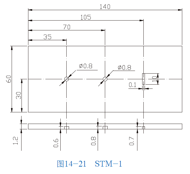
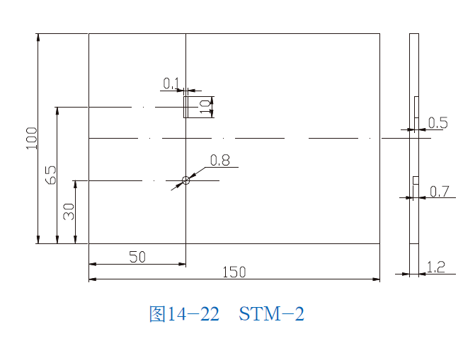
标准试块|4A测厚阶梯试块标准厚度块|GHF试块4|GZ试块5|半圆试块SH-16|模拟试块H-30|模拟试块H-50|模拟试块H-807|灵敏度试块CS-1|灵敏度试块A1|灵敏度试块A2|对比试块DZ-1|盲区试块|微盲区试块STM-1、 STM-2|水平线性试块1-3#|分辨力试块|射线阶梯试块|提升力试块|A型便携式相控阵试块|B型便携式相控阵试块||










主要用于测定直探头和仪器组合的灵敏度余量,调节探伤灵敏度,确定缺陷大小及测定仪器的垂直线性等性能指标及形状。尺寸和形状如下图表:














