PRB- I、II、III、IV试块-焊接接头相控阵试块
- 品牌: 瑞祥牌(东岳)
- 标准: NB/T4703 承压设备无损检测
- 材质: 20钢
适用于I型在制和在用金属材料制承压设备焊接接头相控阵超声检测,当试块尺寸满足检测需求时,也可采用NB/T 47013.3所述的CSK-IA系列试块,使用范围按NB/T 47013.3的规定执行,不适用于内径不大于200mm的管座角接接头检测。
PRB试块是用于I型在制和在用金属材料制承压设备焊接接头相控阵超声检测的试块。相关信息如下:
适用范围:适用于I型在制和在用金属材料制承压设备焊接接头相控阵超声检测,当试块尺寸满足检测需求时,也可采用NB/T 47013.3所述的CSK - IA系列试块,使用范围按NB/T 47013.3的规定执行,不适用于内径不大于200mm的管座角接接头检测。
系列分类:包括PRB - I、PRB - II、PRB - III、PRB - IV等试块,不同型号的试块可能在尺寸、结构或适用的具体检测条件上有所差异。例如,PRB - III是较为常见的一种,适用于某些特定的检测场景和参数要求;PRB - IV试块依据NB/T 47013 - 2015标准承压设备I型焊接接头超声检测要求设计,适用于斜探头、直探头检测工件厚度范围为200mm - 500mm的Ⅰ型焊接接头,可用于横波灵敏度的设定和纵波灵敏度设定。
在实际使用中,需根据具体的检测对象、检测标准和检测要求选择合适的PRB试块,并按照相关的操作规程和标准进行检测,以确保检测结果的准确性和可靠性。
PRB系列试块使用范围


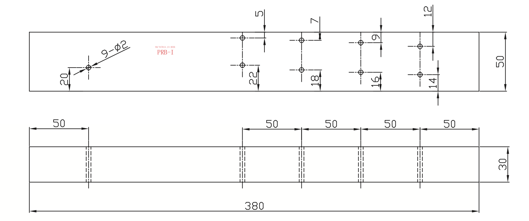
PRB-I试块
PRB - I:通常适用于检测相对较薄的工件,可能用于板厚小于40mm的情况,不过具体厚度范围可能因标准或实际应用略有差异。

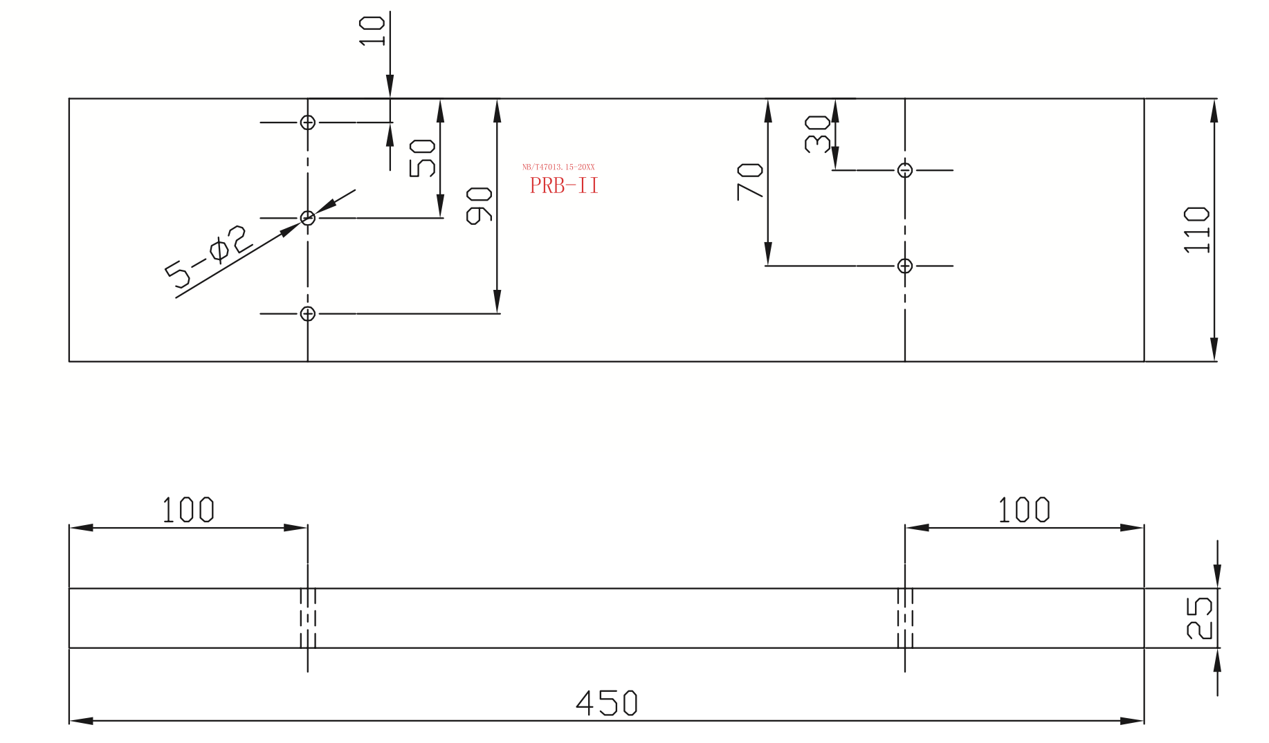
PRB-II试块
PRB - II:一般适用于工件厚度在40mm - 100mm的范围。

PRB- III试块
PRB - III:适用于板厚60mm - 200mm的工件,有不同的规格块对应不同的具体厚度区间,如3#块适用于板厚60mm - 100mm,4#块适用于板厚100mm - 150mm,5#块适用于板厚150mm - 200mm等。

PRB-IV试块
PRB - IV:主要用于检测厚度较大的工件,适用于工件厚度范围为200mm - 500mm的Ⅰ型焊接接头。