平表面对比试块
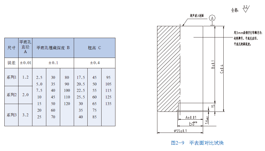
变形铝合金产品超声波检验方法 GB/T 6519-2024,平表面对比试块和柱状对比试块二种试块。对比试块用于调整检验系统灵敏度、测试范围及评定缺陷的大小和位置
- 标准: 变形铝合金产品超声波检验方法 GB/T 6519-2024
无损检测试块模具电话:0537-6988486、6988490、6988482传真:0537-6988488特种设备行业、核电行业、自然缺陷焊接试板:孟凡宝手机:13793760618,QQ:525735886邮箱:13793760618@139.com铁路、航空航天、国外试块:李晴手机:13686379798 QQ:1007471030邮箱:ndtlq@126.com电力行业、国家标准试块、冶金
查看更多 >
本标准选用平表面对比试块和柱状对比试块二种试块。对比试块用于调整检验系统灵敏度、测试范围及评定缺陷的大小和位置。对比试块的尺寸和形状见下列图表:
