milan官网登录入口司,起源于1966年。公司是国家级高新技术企业、ISO国际质量、环境、职业健康安全管理三体系认证企业。
milan官网登录入口司资质
、、
企业经营理念:以人为本、忠诚守信、务实苦干、开拓创新 企 业 精 神:诚信、创新、合作、双赢
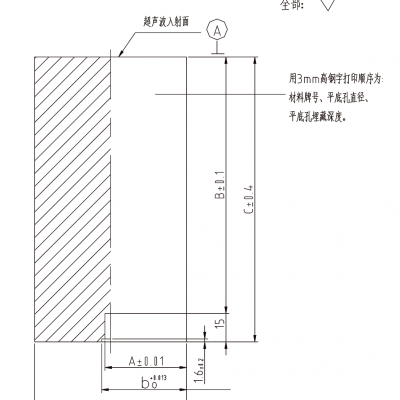
孔缺陷加工能力:我公司作为专业试块生产企业,拥有各类加工设备,可以加工各种孔径平底孔、尖孔、球孔,通孔,目前可以加工的最小孔径为φ0.1mm。孔径Φ0.1Φ0.2Φ0.3Φ0.4Φ0.5~0.7孔深1.6mm18mm35mm70mm120mm孔径Φ0.8Φ1Φ1.5Φ2Φ3孔深140mm194mm200mm290mm290mm
无损检测试块模具电话:0537-6988486、6988490、6988482传真:0537-6988488特种设备行业、核电行业、自然缺陷焊接试板:孟凡宝手机:13793760618,QQ:525735886邮箱:13793760618@139.com铁路、航空航天、国外试块:李晴手机:13686379798 QQ:1007471030邮箱:ndtlq@126.com电力行业、国家标准试块、冶金
付款账号及开票信息 单位名称:milan官网登录入口司 单位税号:9137 0800 7903 7657 0W 单位地址:济宁经济技术开发区0537-6988480 单位开户行:交通银行济宁分行营业部 3783 0103 0018 1700 35066
本标准选用平表面对比试块和柱状对比试块二种试块。对比试块用于调整检验系统灵敏度、测试范围及评定缺陷的大小和位置。对比试块的尺寸和形状见下列图表 (:按图报价 ,建议来料加工)